Оголовок ОСП 140-160/40 Джилекс (6007)
Диаметр шланга для насоса: 40 мм.
Материал: пластик.
Также он обеспечивает нормальное функционирование и упрощает монтаж скважинного насоса, и всей системы водоснабжения в целом.
По сути, оголовок ОСП 140-160/40, является своего рода крышкой, главной задачей которой является надёжное закрытие входной части обсадной трубы. Это способствует тому, что находящаяся в скважине вода остаётся чистой.
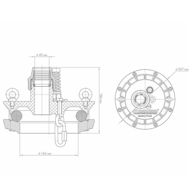
На оголовке оборудовано крепление для подвеса на специальных тросах самого скважинного насоса.
Также в оголовке есть отверстия для того, чтобы через них вывести наружу электрический кабель и напорную трубу.
Оголовок скважинный Джилекс ОСП 140-160/40 также позволяет сильно упростить демонтаж насоса для технического обслуживания или
ремонта. И повторную его установку в скважину в дальнейшем.
Особенности изделия
Оголовок ОСП 140-160/40 Джилекс изготавливается из высокопрочного пластика.Применение конструкционного пластика при изготовлении, снижает цену изделия, практически не сказываясь на его эксплуатационных свойствах.
Сама маркировка оголовка указывает на необходимые технические характеристики, требуемые для установки данного изделия:
- Буквенное обозначение (ОСП) указывает на материал, из которого выполнен оголовок (высокопрочный пластик).
- 140/160 – размеры обсадной трубы в миллиметрах, на которую может устанавливаться данный конкретный оголовок (от 140 до 160 мм).
- 40 – показывает, какого диаметра трубу можно подключить к данному оголовку (имеется в виду труба, по которой будет идти вода от насоса в дом).
Кроме этого, изделие собирается из отдельных деталей, которые достаточно просто заменить при износе и не требует использования сварочных работ.
Основные элементы, из которых состоит оголовок:
- надёжная и герметичная крышка из высокопрочного пластмассового сплава;
- нижний прижимной фланец;
- впрессованные в крышку оголовка рым-болты;
- впрессованный в крышку цанговый зажим, выполненный из латуни, предназначенный для подвода напорной трубы для последующего осуществления водообеспечения;
- впрессованный в крышку элемент для подвода электрокабеля для подключения насосной техники глубинного типа;
- закреплённый в нижней части крышки оголовка карабин для надёжной фиксации и подвеса насоса (крепится посредством контргайки);
- уплотнительное резиновое кольцо, расположенное между прижимным фланцем и крышкой оголовка, главная задача данного элемента – улучшение герметичности конструкции;
- 4 надёжных соединительных болта из нержавеющей стали для соединения прижимного фланца с крышкой.
Обозначение
Монтаж
Монтаж оголовка не требует сварочных работ, так как уплотнение обсадной трубы скважины осуществляется посредством затягиванияболтов, сжимающих уплотнительное резиновое кольцо, надетое на обсадную трубу между крышкой и прижимным фланцем.
Перед монтажом оголовка необходимо:
- Ровно обрезать обсадную трубу перпендикулярно ее оси;
- Удалить заусенцы в месте среза, зачистить обсадную трубу снаружи, загрунтовать и покрасить антикоррозийной краской;
- Подготовить насос к погружению в скважину согласно инструкции к насосу;
- Присоединить пластиковую трубу;
- Прикрепить трос необходимой длины, стянуть трубопровод, кабель и трос пластиковыми стяжками через каждые 2 - 3 метра;
- Свободную часть троса прикрепить к карабину оголовка. Карабин зацепить за нижний рым болт, предварительно продев напорную пластиковую трубу и кабель сквозь крышку оголовка;
- Надеть фланец плоской поверхностью вверх и резиновое кольцо на обсадную трубу скважины. В оголовках с индексом «Б», имеющих базовую (стационарную) часть, основание имеет отверстие со скругленными кромками для безопасного опускания насоса и цилиндрическую поверхность для уплотнения съемной крышки с помощью кольца;
- Опустив насос в скважину, установить крышку оголовка на обсадную трубу, приподнять резиновое кольцо и фланец до крышки оголовка. Стянуть болтами между собой фланец и крышку оголовка, сжав при этом резиновое кольцо, находящееся между ними;
- Напорную трубу зафиксировать цанговым зажимом;
- Чтобы кабель не провисал, его необходимо подтянуть и зажать гермовводом (входит в комплект поставки);
- В оголовках с индексом «Б», имеющих базовую (стационарную) часть, в основании выполнена клеммная коробка, закрывающаяся резьбовой герметичной крышкой.
Пример монтажа
|
Бренд
|
Джилекс |
|
Серия
|
ОСП |
|
Гарантия, лет
|
2 года |
|
Вид оборудования
|
Оголовок |
|
Страна изготовитель
|
Россия |
|
Назначение
|
Обустройство скважин |
|
Диаметр обсадной трубы, мм
|
140-160 |
|
Диаметр напорной трубы, мм
|
40 |
|
Присоединительная резьба G, "
|
1 1/2" |
|
Применение
|
Водоснабжение |
|
Материал корпуса
|
Пластик |
|
Длина упаковки, мм.
|
285 |
|
Высота упаковки, мм.
|
310 |
|
Ширина упаковки, мм.
|
200 |
|
Вес упаковки, кг
|
3.7 |
Как оплатить заказ
При оформлении заказа – ОПЛАЧИВАТЬ НИЧЕГО НЕ НУЖНО.
Мы получаем заказ, перезваниваем Вам, уточняем все детали, и потом присылаем ссылку на оплату или счёт (для юридических лиц).
Точную информацию об оплате Вашего заказа Вы узнаете при звонке нашего менеджера
Вы можете оплатить свой заказ банковской картой.
Оплата производится через Яндекс Кассу или платёжный шлюз Сбербанка России.
Мы высылаем Вам ссылку на оплату, где будет указана вся необходимая информация: товар, количество, стоимость доставки.
МЫ НЕ СОБИРАЕМ И НЕ ХРАНИМ ВАШИ ПЛАТЁЖНЫЕ ДАННЫЕ.
Все платежи производятся через сервисы максимальной надёжности (Яндекс Касса и Сбербанк) – поэтому, Ваши деньги в безопасности.
Оплата банковской картой производится без комиссии.
Оплата банковским переводом
Мы вышлем на Вашу электронную почту квитанцию – её можно будет оплатить в любом банке.
При оплате с помощью банковского перевода возможна комиссия. Её размер нужно будет уточнить в банке.
Для юридических лиц
Просто оформите заказ.
При оформлении заказа можно выбрать «Юридическое лицо» - так заказ быстрее попадёт в отдел работы с B2B клиентами.
Мы свяжемся с Вами для уточнения деталей.
Счет на оплату будет выслан на электронную почту или по факсу.
Благодарим Вас за доверие и надеемся на долгосрочное сотрудничество!
Информация о доставке
Прямо сейчас – оформите заказ!
После оформления заказа с Вами свяжется наш менеджер, и обязательно уточнит Ваши пожелания по доставке.
В Вашем городе у нашего Интернет – магазина есть Пункт Выдачи Заказов.
Адрес Пункта Выдачи Заказов в Челябинске:
г. Челябинск, проспект Победы 159, цокольный этаж, вход со двора.
Любые вопросы можно задать по телефону: 8 800 22 22 676 (в рабочее время).
В Челябинске находится ещё около 10 Пунктов Выдачи Заказов, мы с удовольствием подберём наиболее удобный для Вас.
Также, мы можем выполнить доставку в любой населённый пункт России и СНГ, по любому адресу.
Обычно мы осуществляем доставку до Пункта Выдачи Заказов, но возможна доставка и до двери (в том числе и крупногабаритных грузов).
Чаще всего мы пользуемся услугами:
СДЭК
Срок доставки 1-5 дней.
При получении товара у представителя юридического лица должна быть доверенность от компании-плательщика или печать.
Частные покупатели для получения товара должны предъявить паспорт.
Почта России
Срок доставки 1-14 дней (в зависимости от удалённости Вашего населённого пункта).
Благодаря широкому распространению отделений Почты России во всех населённых пунктах нашей страны, этим способом можно доставить Вашу посылку практически в любой уголок России.
Кроме того, можно выбрать отделение связи совсем рядом с Вашим домом/офисом.
При получении товара у представителя юридического лица должна быть доверенность от компании-плательщика или печать.
Частные покупатели для получения товара должны предъявить паспорт.
Транспортные компании ЛУЧ, Деловые Линии, ПЭК, GTD и другие
Мы можем отправить Ваш заказ любой транспортной компанией, или службой доставки.
Обычно мы выбираем самый удобный и самый дешёвый вариант, но если у Вас есть особые пожелания – мы готовы их учесть.































































































































